二片式内外螺纹球阀
- 产品详情

| 防爆阔杆/全通径 | |
| 适用温度范围 | -20 to120℃ |
| 使用压力 | ≤1.6MPa |
| 适用介质 | 水、气、油 |
| 设计制造 | GB/T-12224/ANSIB16.34 |
| 螺纹标准 | BSPT/BSP/NPT/DIN/JIS/RC/G |
| 检查与测试 | GB/T-13927/API598 |
| 气压测试 | 1.6MPa |
材料列表
| 部件名称 | 材质 | ||
| 阀体 | CF8M | CF8 | WCB |
| 阀盖 | CF8M | CF8 | WCB |
| 球 | SS316 | SS304 | SS304 |
| 阀杆 | SS316 | SS304 | SS304 |
| 阀座 | PTFE | PTFE | PTFE |
| 线条 | PTFE | PTFE | PTFE |
| 杆密封 | PTFE | PTFE | PTFE |
| 中头垫 | PTFE | PTFE | PTFE |
| 填料压套 | SS202 | SS202 | SS202 |
| 手柄 | SS202 | SS202 | SS202 |
| 弹塾 | SS202 | SS202 | SS202 |
| 螺帽 | SS202 | SS202 | SS202 |
| 锁片 | SS202 | SS202 | SS202 |
| 胶套 | PLASTIC | PLASTIC | PLASTIC |
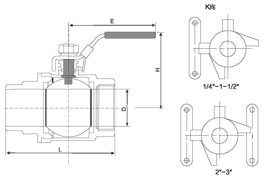
外形尺寸
| SIZE | L | D | E | H |
| 1/2" | 75 | 15 | 98 | 58 |
| 3/4" | 86 | 20 | 118 | 65 |
| 1" | 98 | 25 | 126 | 64 |
| 1-1/4" | 110 | 32 | 136 | 80 |
| 1-1/2" | 121 | 40 | 145 | 86 |
| 2" | 133 | 50 | 173 | 95.5 |
全国招商热线:158 8842 4730
邮箱:1505634811@qq.com